工作时间 周一至周六 8:00-17:00
ZJ6中间继电器用于交流操作继电保护装置中作为辅助继电器,直接接于电流互感器二次回路中并由其它继电器接点控制。
ZJ6中间继电器应用范围
ZJ6中间继电器用于交流操作继电保护装置中作为辅助继电器,直接接于电流互感器二次回路中并由其它继电器接点控制。
ZJ6中间继电器主要技术数据
●额定动作电流:2.5A、5A。
●长期工作电流:10A。
●动作时间:不大于0.05s。
●功率消耗:不大于6VA。
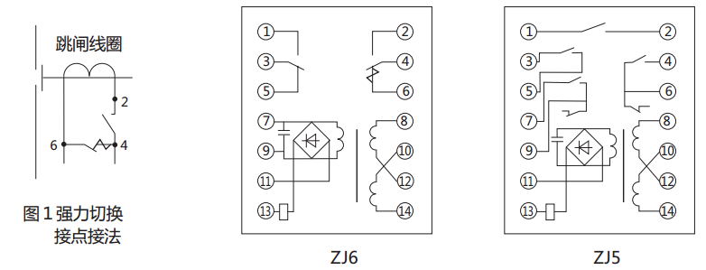
●接点形式:ZJ5四常开、ZJ6一切换一强力切换。
●如被控电路系由变流器供电,且当电流为3.5A时,其阻抗不大于4.5Ω,强力切换接点在电流到150A的情况下,能分流断开跳闸线圈。为消除当常闭接点没有闭合好时可能引起开关误动作,强力切换接点采用图1接法。
●一般接点容量:当交流电流小于2.5A和电压低于220V时能断开450VA;当交流电流小于15A和电压小于220V时能接通1000VA。长期接通电流为5A。
ZJ6中间继电器内部接线图及外引接线图(正视图)

ZJ6中间继电器安装及开孔尺寸

矿山冶金
化工、化肥、水泥、纺织
能源、环保
机械电子
火电、水电
造纸、制糖、制药
市政基础建设
原料、钢铁
上一篇:ZJ4中间继电器
下一篇:ZJS-21跳闸回路监视继电器

