来源:本站 作者:001 发布时间: 2023-11-10 09:42 浏览: 1664
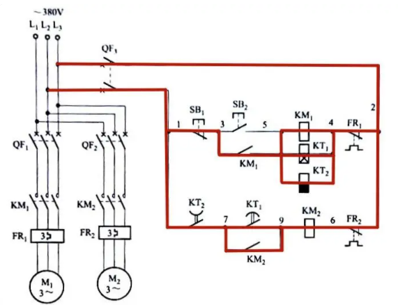
时间继电器控制顺序启动顺序停止电路
时间继电器控制顺序启动顺序停止电路

今天我们来了解一下,利用时间继电器控制顺序启动、顺序停止的电路。

首先,按下启动按钮SB2,接触器KM1、通电延时继电器KT1、断电延时时间继电器KT2同时通电,接触器KM1常开触点闭合形成自锁。

断电时间继电器,延时断开常开触点瞬间闭合,为接触器KM2通电做准备。

经过一段时间延时后,通电延时动作时间继电器KT1触点动作,接触器KM2吸合并自锁。

此时电路启动完成。

停止时,按下停止按钮SB2。

接触器KM1自锁点断开,接触器KM1,时间继电器KT1、KT2同时断电。

通电延时动作继电器KT1,触点瞬间断开。

经过一段时间后,断电延时动作时间继电器KT2触点动作,接触器KM2失电。
公司介绍:上海上继科技有限公司是一家专业从事电力系统继电保护及智能电网电力自动化产品的研发、设计、生产、销售和服务为一体的高科技公司。拥有资深继电保护专家团队和国内领先的检测仪器及校验设备。同时还引用国内外先进技术,来进行技术创新。本公司的产品广泛用于电力、工矿、铁路、建筑等国家重大工程输配变电系统上,产品远销东南亚及中东地区。产品通过国家继电保护及自动化设备质量监督检验中心检测,获得ISO9001国际质量体系认证。“科技创新,诚信务实”是公司的经营理念,本公司以高超的技术支持和对用户高度负责的售后服务赢得了输配电成套企业的信赖,且树立了良好的信誉。
公司主营:继电器(时间继电器,电压继电器,电流继电器,中间继电器,信号继电器,闪光继电器,冲击继电器,同步检查继电器,接地继电器,差动继电器,重合闸继电器,绝缘监视继电器,双位置继电器,模数化继电器),微机保护装置,电力仪表,智能操控装置
上海上继科技有限公司(专注电力保护继电器生产厂家)销售热线:021-57233089 QQ:1932551438
{以上内容仅供参考,上海上继科技有限公司有最终解释权}
更多继电器精彩文章——继电器在保温柜中的应用
上一篇:继电器在保温柜中的应用
下一篇:电磁式继电器的构造和工作机制详解

